logo
0%
...

Products

Ball Valves

Home / Specialized Items / Ball Valves

+1 (551) 216-4118

Ball Valves

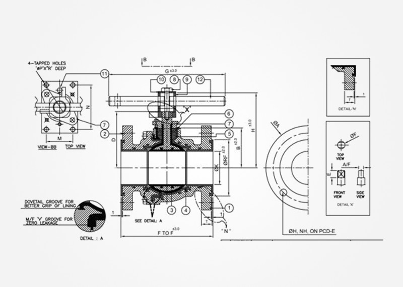
Lined 2 piece designed cast body and flange with stainless steel cast ball/stem. F to F as per ASA 150 class & DIN standard. Flange drilling as per customers requirement

Sizes Available 15 NB to 300 NB
Lining Materials Lined with PFA / FEP / PVDF / PTFE / PP

Ball Valves Feature

Material specification
Body: SHELL : DI/WCB/S.S. CASTING
LINING : PFA ASTM - D 3307
END PIECE: SHELL : DI/WCB/S.S. CASTING
LINING : PFA ASTM- D 3307
BALL/STEM STAILNESS STEEL CASTING
ASTM A 747 Gr CB7 Cu1
LINING : PFA ASTM- D 3307
SEAT RING VIRGIN PTFE
TAPER RING VIRGIN PTFE
V' RING VIRGIN PTFE
THRUST RING WITH GLAND FOLLOWER STAINLESS STEEL CF8
FASTNERS STAINLESS STEEL 304
TOP ADAPTER STAINLESS STEEL CF8
ADAPTER WASHER STAINLESS STEEL 304
STOPPER PIN STAINLESS STEEL 304
LEVER M.S ROD.