logo
0%
...

Products

Spool pipes & Spacers

Home / Spool Pipes And Lined Fittings / Spool pipes & Spacers

+1 (551) 216-4118

Spool pipes & Spacers

Spool pipes & Spacers Feature

Spool Pipes, Distance Pipes & Spacers
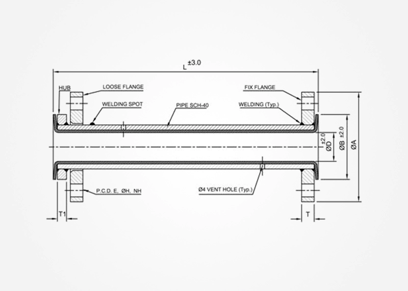
Description PTFE lined C.S spool pipes with one and fixed flange and other end loose flange with stub end
Sizes Available 25 NB to 350 NB, Max. upto 3 Meter length
Lining Materials Lined with PFA / FEP / PVDF / PTFE / PP / HDPE
SPOOL PIPE
FLANG / HUB AS PER ASTM A-105
PIPE ASTM A-106, Gr. B, Sch.40
LINER PTFE CONFORMING TO ASTM :- D 4895
SPACER
HUB PLATE FLANGES AS PER- IS:2062
PIPE SEAMLESS CARBON STEEL PIPES AS PER ASTM A-106,Gr.B, SCH-40
LINER PTFE CONFORMING TO ASTM :-ASTM D-4895